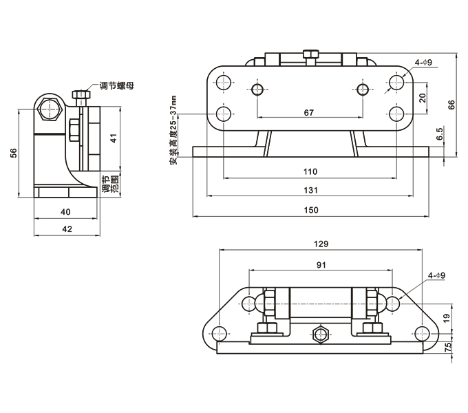
重型铰链

YL-720

产品说明

172265132821f4f7

型号/Model

名称/Name

材料/Material

重量/(KG)Weight

装箱数(只)/Packing No.(PCS)

YL-720

重型凸门铰链

Heavy-duty Cam-lift hinge

不锈钢304
304 Stainless Steel

1.0

12

关注玉龙制冷
扫一扫手机版
description