侧边铰链

YL-4257

产品说明

1760510303586cc8

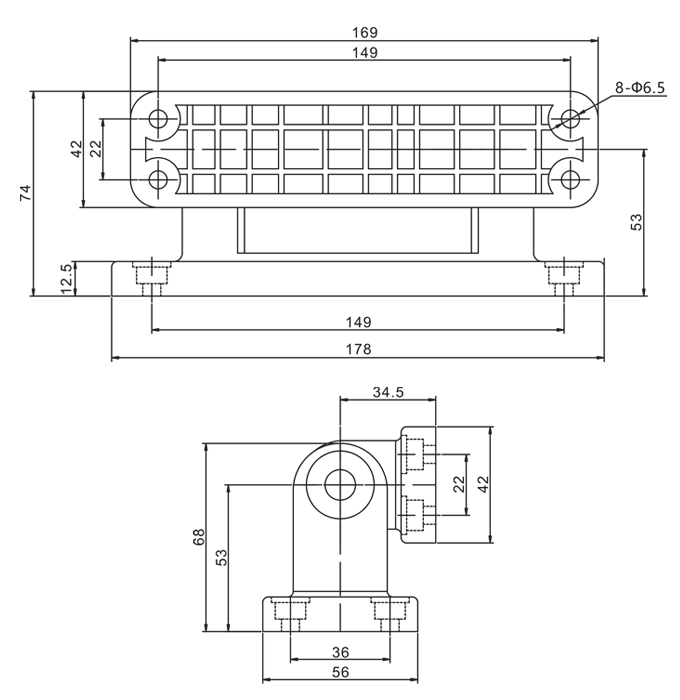
型号/Model

名称/Name

材料/Material

重量/(KG)Weight

装箱数(只)/Packing No.(PCS)

YL-4257

冷冻库升降型门铰链

Reversible Reach-In Edgemount Cam-Lift Hinge

PA66

0.402

-

关注玉龙制冷
扫一扫手机版
description